泊头市阀门制造实业有限责任公司

电动闸阀

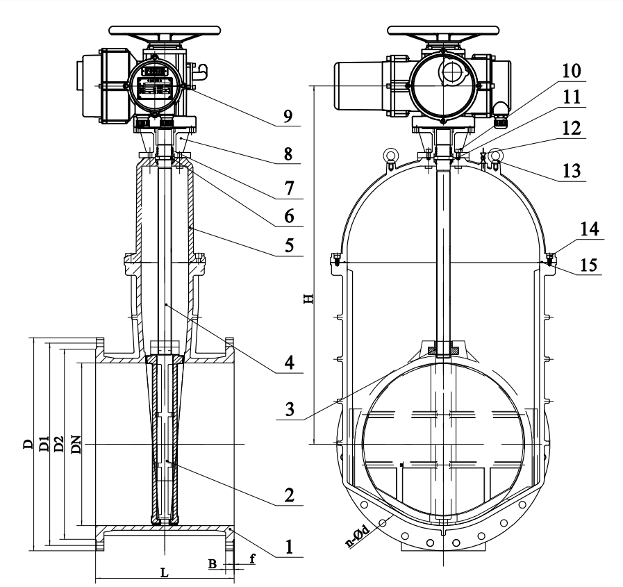
image.pngimage.png

一、产品定义与系统定位

电动闸阀是闸阀与电动执行机构一体化集成的自动化终端控制设备。它以电力为驱动源,通过电机驱动齿轮传动系统,替代人工完成阀门的启闭操作,并实现阀门状态的控制和远程监控。它是现代工业自动化、楼宇自控、远程输配系统中实现流体管路无人化操作、程序化控制和智能化管理的核心执行单元。

二、系统组成与结构解析

1.阀门主体

采用标准闸阀结构,以弹性座封闸阀(软密封)或金属密封楔式闸阀(硬密封)为主流。阀门特性决定了执行器的选型需求:

软密封闸阀:启闭扭矩小,对执行器输出扭矩要求较低。

硬密封闸阀:特别是高压关闭时需较大压紧力,要求执行器有扭矩输出。

2.电动执行机构(核心驱动单元)

这是一个集成了电机、减速齿轮箱、控制模块和位置反馈系统的机电一体化装置。

驱动电机:通常为单相或三相鼠笼式感应电机,具备高启动力矩。环境可选、或变频电机。

减速机构:多级行星齿轮或蜗轮蜗杆传动,将电机的高速低扭矩转换为低速高扭矩输出,匹配阀门操作需求。

手自动切换机构:标配手动操作手轮,在断电或检修时可切换至手动模式,通过转动手轮直接操作阀门,系统。

控制模块:集成于执行器内部的“智能大脑”,接收控制信号,并管理电机运行逻辑。

3.智能控制与反馈系统

位置限位开关:通过凸轮或磁性元件,设定阀门“全开”和“全关”的机械位置,并输出无源开关量信号(干接点)。

位置反馈元件:电位计或编码器,用于连续、实时地测量并反馈阀门开度(如0-100%或4-20mA模拟信号)。

扭矩保护装置:机械式扭矩离合器或电子扭矩传感电路。当阀门卡死或达到设定关闭扭矩时,自动切断电源,保护阀门和执行器免受损坏。

现场控制界面:通常包括本地/停止/远程选择开关、开/关操作按钮和状态指示灯。

三、工作与控制原理

基本控制回路:

控制指令(DC24V/AC220V等)→电动执行器控制模块→驱动电机正/反转→减速齿轮箱增矩→输出轴旋转→驱动阀杆螺母→阀杆及闸板直线运动→到达设定位置,限位开关动作,电机停转→位置信号反馈至控制系统。

控制模式:

开关型控制:接收脉冲式“开”或“关”命令,执行全行程动作。是最基础、的模式。

调节型控制:接收连续的模拟量信号(如4-20mA),驱动阀门运动至与信号相对应的任意开度,实现流量或压力的连续调节。

总线型控制:通过现场总线(如Modbus,Profibus,DeviceNet)或工业以太网接收数字指令并上传全部状态数据,实现高度集成的网络化控制。

四、核心技术特点与优势

远程自动化控制:可轻松接入DCS、PLC、SCADA或楼宇自控系统,实现远距离、集中化、程序化的控制,摆脱对现场人工操作的依赖。

与响应:动作(全行程时间从十几秒到数分钟可调),定位(调节型开度误差可达±0.5%),显著提升工艺控制品质。

完备的保护:

堵转保护:扭矩保护阀门遇阻时不损坏。

相位保护:防止电机因缺相烧毁。

过热保护:电机温控开关防止过热。

紧急备用:手动机构断电时可操作。

故障位置记忆:部分智能型可记忆故障前的阀位。

状态监控:不仅能反馈“开/关”状态,实时上传阀位开度、操作扭矩、电机状态、报警信息等,实现预测性维护。

广泛的环境适应性:通过不同的外壳防护等级(IP67/IP68)和等级(Ex d/Ex e),可应用于户外、潮湿、粉尘及爆炸性危险区域。

五、主要应用

水处理与市政水务:自来水厂、污水处理厂的远程泵阀联动、滤池反冲洗自动控制、加药系统投加、管网加压站无人值守。

HVAC与区域能源:大型建筑群、区域供冷供热管网的平衡与调节,实现按需供能和节能运行。

工业生产流程:冶金、造纸、食品、制药等行业生产线的自动化物料输送与工艺控制。

六、选型关键参数

扭矩与推力:这是最核心的选型参数。根据阀门口径、压力、密封类型、介质压差计算出阀门所需的操作扭矩,并选择扭矩余量充足(通常为1.5-2倍)的执行器。

电源与控制信号:

电源电压:AC380V、AC220V、DC24V等。

控制信号:开关型(无源干接点)、调节型(4-20mA,0-10V)、总线型(通讯协议)。

动作时间:根据工艺要求选择全行程时间(如30s,60s,120s)。

防护与等级:根据安装环境确定IP等级和是否需(等级及气体组别)。

阀门与执行器接口:确认连接标准(如ISO 5211标准法兰)与尺寸匹配。

七、安装、调试与维护

安装:阀门与管道对中良好,避免执行器承受额外应力。为手动操作和散热预留足够空间。电气接线规范,动力电缆与控制信号电缆分开敷设,做好接地。

调试:

机械限位设定:在手动模式下,将阀门运行至全关和全开位置,分别调整相应的限位开关凸轮。

扭矩设定:通常先设定在较低值,逐渐增加至阀门能关严且不过载。

电气调试:测试远程/本地控制、信号反馈、报警功能是否正常。

维护:定期检查执行器密封、齿轮箱油位、电气连接。长期不动作的阀门应定期进行巡检操作。关注扭矩变化趋势,可作为阀门内部状态(如结垢、磨损)的早期预警。


天津电动闸阀青岛电动闸阀