国标暗杆软密封闸阀是符合国家相关标准(如 GB/T 12224、GB/T 13927 等)的一种闸阀,核心特点是阀杆不随启闭动作升降,且采用软质密封材料实现密封,广泛应用于给排水、暖通等低压流体管路系统。
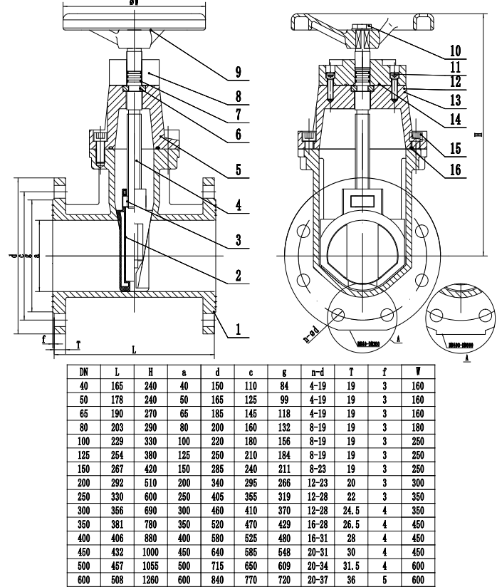
暗杆结构:阀杆的螺纹部分位于阀体内,阀门启闭时,阀杆仅做旋转运动,整体长度不发生变化,外部手轮仅随阀杆旋转,不会上下移动。
软密封设计:闸板表面全包覆软质密封材料(如三元乙丙橡胶 EPDM、丁腈橡胶 NBR),通过闸板与阀座的弹性贴合实现密封,密封性能优于传统硬密封闸阀。
执行标准
设计制造:GB/T 12224《钢制阀门 一般要求》
压力试验:GB/T 13927《工业阀门 压力试验》
结构长度:GB/T 12221《金属阀门 结构长度》
暗杆式阀杆设计
阀杆螺纹隐藏在阀体内,避免与介质、外界空气接触,有效防止阀杆锈蚀、腐蚀,延长使用寿命。
阀门启闭时高度不变,占用安装空间小,特别适合空间狭窄的管路(如地下管网、井内安装)。
需配备开度指示器(侧装或顶装),通过指针和刻度盘显示闸板升降位置,弥补暗杆无法直观判断开度的不足。
软密封闸板结构
阀体与阀盖连接
驱动方式
国标暗杆软密封闸阀通过阀杆旋转带动闸板做轴向直线运动,实现管路的通断:
市政给排水管网:城市自来水输送、污水排放、雨水收集系统。
建筑楼宇:住宅小区、商业综合体的给水、消防、暖通管路。
工矿企业:低压循环水、冷却水、工艺用水管路(介质无强腐蚀性)。
农业灌溉:农田灌溉、水利工程等低压流体输送场景。
密封性能优异:软密封结构可实现零泄漏,满足给排水管路的密封要求。
安装空间小:暗杆设计,阀门启闭时高度不变,适合地下阀门井、狭窄空间安装。
抗腐蚀能力强:阀杆隐藏式设计,避免锈蚀;橡胶包覆闸板耐磨损、抗结垢。
维护便捷:部分型号支持带压更换密封圈,无需停水即可检修,降低维护成本。
严禁用于高温、高压、强腐蚀性介质(如强酸、强碱)管路,避免橡胶密封层老化失效。
安装时需确保介质流向与阀体箭头一致,避免反向安装影响密封效果。
定期检查开度指示器的准确性,防止因指示器故障导致误判阀门状态。

天津国标暗杆软密封闸阀青岛国标暗杆软密封闸阀